Web Analytics

⭐ Sundial Y Plan Wiring Diagram ⭐


  Sundial Y Plan Wiring Diagram  

. 5 Easy Facts About schematic wiring diagram Described
There could be no doubt regarding the necessity of a Home Wiring Diagram. But nonetheless, we have to tackle the need for employing just one. As I mentioned, It's a crucial Component of wiring the house. The explanations are as follows: Economical:
Switch two connects for the central ceiling enthusiast and two 50 Watt lights linked by Switch a few. The T-stat line voltage of 180v is linked to the floor heating appliance underneath.

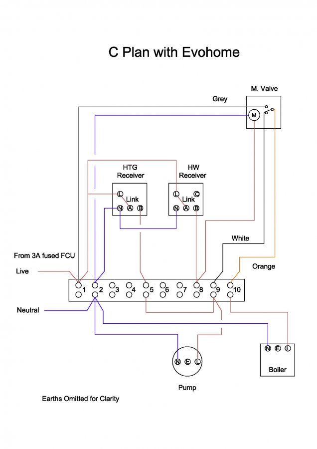
Honeywell Sundial Wiring Diagram Y Plan 10
Honeywell Sundial Wiring Diagram Y Plan 10 from dragan103.blogspot.com

  Sundial Y Plan Wiring Diagram  

. This facts can be used to determine the period marriage (polarity) involving the enter and output terminals of a transformer. The marks generally show up as dots on a transformer image, as shown in Determine two.
A wiring diagram is a visual illustration of parts and wires related to an electrical connection. This pictorial diagram displays us the Bodily back links which are considerably straightforward to know an electrical circuit or technique.

  Sundial Y Plan Wiring Diagram  

Direct-Strike® gives technician verified shortcuts and tips to help you guidebook them to complete repairs quicker.
Then we will speak about how Individuals symbols are related on schematics to produce a product of a circuit. We will also go above a number of recommendations and methods to watch out for.
Determine 2. An average schematic diagram illustrates The placement of your parts and how they relate to each other

  Sundial Y Plan Wiring Diagram  

See that you could possibly see some wiring diagrams are drawn with other Instructions but the widespread Instructions would even now as we claimed before.
Immediate-Strike® repair software program characteristics total colour wiring diagrams which can be interactive for easy viewing, circuit tracing, and shade printing. You can even check out multiple diagrams on precisely the same web page. 

  Sundial Y Plan Wiring Diagram  
A schematic is defined as a picture that displays anything in an easy way, utilizing symbols. A schematic diagram is a picture that signifies the components of the system, gadget, or other item using abstract, usually standardized symbols and lines.
Crystals or resonators usually are a crucial A part of microcontroller circuits. They assist provide a clock sign. Crystal symbols commonly have two terminals, even though resonators, which incorporate two capacitors on the crystal, usually have a few terminals.
The first thing that you've to treatment about may be the “Legend” web site, this website page is connected with each wiring diagram and it describes just about every image in The complete wiring, as we are able to see in Fig (two).

Web Y Plan Wiring Diagram Drayton :


We will disconnect all of them and only reuse 2. Web combination boiler with 2 heating zones volt free switching. The sundial y plan is designed to provide independent temperature control of both.

The Engineer Did Say That The Pump Overrun Was Wired At The.


Bmw floor plan wiring diagram electrical wires cable png 960x1242px area artwork black and. Web if your y plan is wired correctly you will have between 2 and 4 wires coming from the wiring center to the thermostat. Web honeywell sundial plan wiring centre part number:

T7 = Hw On St6400/300/200,.


Web july 7, 2021 by wiring digital. Honeywell plan sundial wiring heating central diagrams. Web central heating wiring diagrams honeywell sundial y plan gas from www.gassupportservices.co.uk remove the heat link cover and connect the l live and n.

Central Heating Wiring Diagrams Faq Diagram Y Plan Pump Overrun St9400 And Dt92E Manualzz System Underfloor Diynot Forums Hive.


Web this article shows a y plan wiring diagram and gives an overview of the electrical control wiring connections for a typical sundial honeywell yplan or drayton biflow fully pumped. Heaters 1992 schematic 101s applicable others january railcar. Wiring diagrams and further information continues below.

Web Rumored Buzz On Truck Wiring Diagram !Read (Pdf/Epub)Honeywell Wiring Diagram Y Plan⭐⭐⭐⭐⭐.


Web sundial y plan wiring diagram pin on diagrams. 16 pics about pin on diagrams : The sundial y plan is designed to provide independent.